HomeProductCorrection systemGuide mechanism
One machine diagram
Application Description:
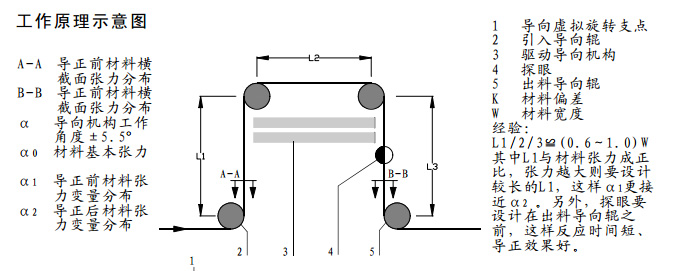
The DGM series drive guide mechanism includes a set of servo drives and a set of guide mechanisms where the guide mechanism moves with a specific geometric trajectory under the drive of the drive so that the strip material passing through the guide mechanism changes due to lateral friction and cross-sectional tension distribution Change its lateral position.
Hotline:021-60892191 Message
- Product description
- Performance parameter
- Installation drawings
- Application site
- Download
The DGM series drive guide mechanism includes a set of servo drives and a set of guide mechanisms where the guide mechanism moves with a specific geometric trajectory under the drive of the drive so that the strip material passing through the guide mechanism changes due to lateral friction and cross-sectional tension distribution Change its lateral position.
Features:
1. Mainly used in label printing sanitary products and packaging industries;
2. Aviation plug connection convenient and safe;
3. A large number of special materials are used which effectively reduces the inertia and responds quickly;
4.Special guide rail design allows the moving parts to be connected without gaps and can work smoothly at a response frequency of 8HZ;
5. The maximum application tension is 400-450N;
6. Can be equipped with infrared or ultrasonic inspection;
7.Specially designed motion trajectory optimizes material alignment;
8. Integrated design easy installation and maintenance;



3D.STEP
Recommended News
-
Four main points of maintenance of the correction system
2019-12-26 -
Four main points of maintenance of the correction system
2019-12-26 -
Four main points of maintenance of the correction system
2019-12-26 -
Four main points of maintenance of the correction system
2019-12-26 -
Four main points of maintenance of the correction system
2019-12-26 -
Four main points of maintenance of the correction system
2019-12-26 -
Four main points of maintenance of the correction system
2019-12-26 -
Four main points of maintenance of the correction system
2019-12-26








