HomeProductCorrection systemCorrection controller
Correction Controller DCN-2000
Application Description:
DCN-2000 series correction controller is a networked, high-precision digital high-performance electronic instrument that can automatically control the edge, centerline, color mark line and other positions of sheet-like material. The display operation board and the chassis are composed of three parts, which can realize heel control, centering control, tracking control and composite control of the strip material.
Hotline:021-60892191 Message
- Product description
- Performance parameter
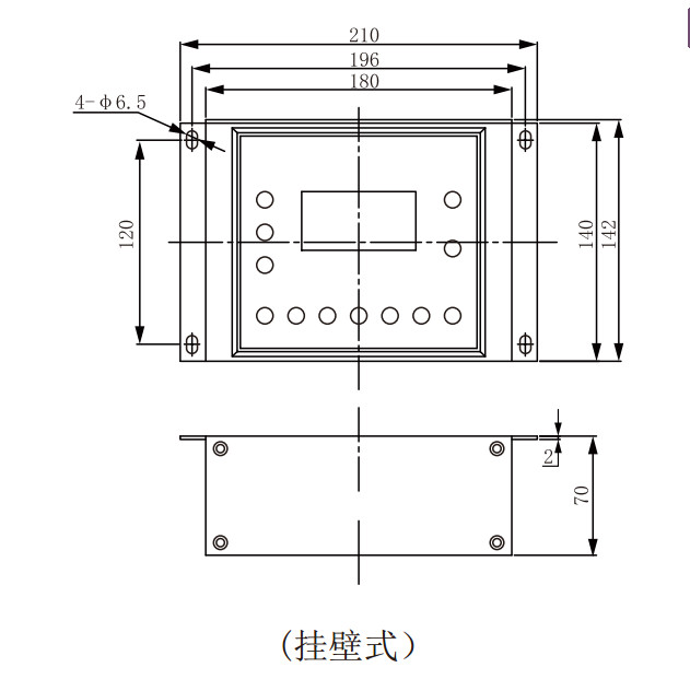
- Installation drawings
- Application site
- Download
DCN-2000 series correction controller is a networked, high-precision digital high-performance electronic instrument that can automatically control the edge, centerline, color mark line and other positions of sheet-like material. The display operation board and the chassis are composed of three parts, which can realize heel control, centering control, tracking control and composite control of the strip material.



Features:
1.Adopt high-speed and highly integrated special processing chip, encoder feedback, PWM drive, superior and stable performance;
2.LCD multi-line Chinese display, simple and clear to use;
3.Contains ten sets of storage units for users to store user parameters corresponding to 10 kinds of materials for direct recall;
4.Open software functions, superior human-machine interface technology, convenient for users to adjust PID parameters, gains and other key parameters;
5.The password management function is adopted to ensure the safety of parameter setting and avoid misoperation;
6.Contains four functions: heel, line, center and compound;
7.Includes input and output terminal detection and protection functions to ensure long-term stable operation of the control board;
8.Aerial plug socket is used for wiring, and the wiring installation is extremely convenient;
9. Metal casing, strong and beautiful, dustproof and electromagnetic interference-proof;




| project | specification |
| Correction controller |
DCN2000/24/G DCN2000/24/Q |
|
Wall-mounted size
(Length x width x height)
|
210x144x70 |
|
Embedded size
(Length x width x height)
|
210x180x122 |
| Working power | 24V |
| Use ambient temperature | 15℃~+50℃ |
| Use of ambient humidity | 38℃~85%RH |
| Use environment | No flammable gas, no corrosion |
| Communication Interface | RS485 |




Manual.pdf

CAD.dwg

3D.STEP
Recommended News
-
Four main points of maintenance of the correction system
2019-12-26 -
Four main points of maintenance of the correction system
2019-12-26 -
Four main points of maintenance of the correction system
2019-12-26 -
Four main points of maintenance of the correction system
2019-12-26 -
Four main points of maintenance of the correction system
2019-12-26 -
Four main points of maintenance of the correction system
2019-12-26 -
Four main points of maintenance of the correction system
2019-12-26 -
Four main points of maintenance of the correction system
2019-12-26







