HomeProductTension systemTension sensor
Tension sensor BK series
Application Description:
"Anyou" BK-4A series tension sensor adopts cross-shear beam structure and integrally sealed and anti-corrosion design, which makes the sensor output linear, fast response, anti-corrosion and dust-proof, high stability, durable . Foil strain gauges provide high sensitivity at low tensions without the need for a built-in temperature compensation network. Widely used in various industrial production lines.
Hotline:021-60892191 Message
- Product description
- Performance parameter
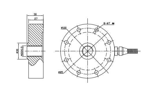
- Installation drawings
- Application site
- Download
"Anyou" BK-4A series tension sensor adopts cross-shear beam structure and integrally sealed and anti-corrosion design, which makes the sensor output linear, fast response, anti-corrosion and dust-proof, high stability, durable . Foil strain gauges provide high sensitivity at low tensions without the need for a built-in temperature compensation network. Widely used in various industrial production lines.
The main features are as follows:
The main features are as follows:
● High response frequency of output signal
● Good linearity of output signal
● Strong ability to resist overload and partial load
● Built-in temperature compensation network, small temperature drift
● Same high sensitivity to high and low tension
● Wide effective detection range, up to 45: 1
● Special process is adopted to ensure high bonding strength between strain gauge and substrate
● Industrial dust and corrosion protection process design
● Using special alloy, durable
| Rated load(N) | |
| BK-4A | 200050001000020000300005000060000 |
| 100000(Can be customized according to user requirements) | |
| Working power | DC5-15V |
| Tension signal output | 0-20mV/0-250mV |
| 输出灵敏度 | 1.5-2mV/V |
| Operating temperature | -38℃~+75℃ |
| Working humidity | <90%R.H. |
| Sensor form | Resistance strain gauge |
| Linear error | <±0.1% |
| Repeatability error | <±0.1% |
| Comprehensive error | <±0.2% |
| Temperature drift | <±0.02%/℃ |
| Sensor material | Special alloy |




Manual.pdf
Recommended News
-
Four main points of maintenance of the correction system
2019-12-26 -
Four main points of maintenance of the correction system
2019-12-26 -
Four main points of maintenance of the correction system
2019-12-26 -
Four main points of maintenance of the correction system
2019-12-26 -
Four main points of maintenance of the correction system
2019-12-26 -
Four main points of maintenance of the correction system
2019-12-26 -
Four main points of maintenance of the correction system
2019-12-26 -
Four main points of maintenance of the correction system
2019-12-26








