HomeProductTension systemTension sensor
Tension sensor CLTL series
Application Description:
"Anyou" CLT series cantilever type tension sensor adopts cantilever double beam combined with foil / semiconductor strain gauge principle to detect the tension of coiled material. It has the characteristics of good linearity and fast response of output signal. It can accurately detect the tension value of various coils such as paper plastic film me
Hotline:021-60892191 Message
- Product description
- Performance parameter
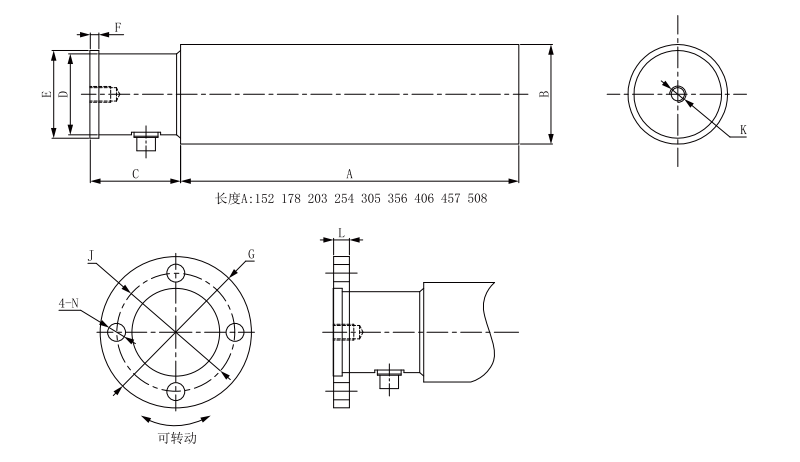
- Installation drawings
- Application site
- Download
"Anyou" CLTL series cantilever tension sensor adopts cantilever double beam combined with foil / semiconductor strain gauge principle to detect coil tension. It has the characteristics of good output signal linearity and fast response. It can accurately detect the tension value of various coils such as paper plastic film metal foil. This type of tension sensor is rugged dust-proof corrosion-resistant and highly stable. It can still provide high sensitivity under low tension. This series of tension sensors are widely used in winding control equipment and production of printing compounding die cutting wire and cable and film.
Features:
1. Anti-corrosion design makes the sensor output linear and fast.
2. High stability strong and durable;
3. The same high sensitivity to high and low tension;
4. Can be customized according to user requirements;
| Rated load | 53111222445N.(122550100Lbs ) |
| Roller surface width | 152178203254,305,356,406,457,508mm |
| (6,7,8,10,12,14,16,18,20inches) | |
| Working power | DC5-15V |
| Tension signal output | 0-20mV/0-250mV |
| Operating temperature | -38℃~+75℃ |
| Working humidity | <90%R.H. |
| Sensor form | Resistance strain gauge |
| Linear error | <±0.1% |
| Repeatability error | <±0.1% |
| Comprehensive error | <±0.2% |
| Temperature drift | <±0.02%/℃ |
| Connector specifications | aviationWS-12 |
| Roller material | 6061aluminum |
|
Shaft core and ba |
alloy steel |


Manual.pdf

CAD.dwg
Recommended News
-
Four main points of maintenance of the correction system
2019-12-26 -
Four main points of maintenance of the correction system
2019-12-26 -
Four main points of maintenance of the correction system
2019-12-26 -
Four main points of maintenance of the correction system
2019-12-26 -
Four main points of maintenance of the correction system
2019-12-26 -
Four main points of maintenance of the correction system
2019-12-26 -
Four main points of maintenance of the correction system
2019-12-26 -
Four main points of maintenance of the correction system
2019-12-26








