HomeProductTension systemTension sensor
Tension sensor CLT series
Application Description:
"Anyou" CLT series cantilever type tension sensor adopts cantilever double beam combined with foil / semiconductor strain gauge principle to detect the tension of coiled material. It has the characteristics of good linearity and fast response of output signal. It can accurately detect the tension value of various coils such as paper, plastic film, metal foil.
Hotline:021-60892191 Message
- Product description
- Performance parameter
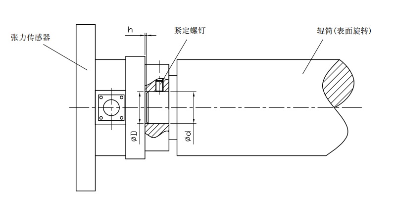
- Installation drawings
- Application site
- Download
"Anyou" CLT series cantilever type tension sensor adopts cantilever double beam combined with foil / semiconductor strain gauge principle to detect the tension of coiled material. It has the characteristics of good linearity and fast response of output signal. It can accurately detect the tension value of various coils such as paper, plastic film, metal foil. This type of tension sensor is rugged, dust-proof, anti-corrosion, high stability, and under low tension. Still provides higher sensitivity. This series of tension sensors are widely used in winding control equipment and production of printing, compounding, die cutting, wire and cable and film.
Features:
1. Durable, anti-corrosion and dust-proof;
2. High stability and good linearity of output signal;
3. Built-in temperature compensation network, small temperature drift;
4. Zhang Li has a wide effective detection range, up to 45: 1;
5. Overload capacity can reach 350%;
6. Adopt special technology to ensure high bonding strength between strain gauge and base structure;
4. It is mostly used in coiling control equipment and production of printing, papermaking, rubber, textile, wire and cable, etc .;
| Rated tension(N) | |
| TMTX-1T | 2550100125250375500750 |
| TMTX-2T | 1250,2500,5000,10000 |
| TMTX-3T | (Customized according to user requirements) |
| Working power | DC5-15V |
| Tension signal output | 0-20mV/0-250mV |
| Operating temperature | -38℃~+75℃ |
| Working humidity | <90%R.H |
| Sensor form | Resistance strain gauge |
| Linear error | <±0.1% |
| Repeatability error | <±0.1% |
| Comprehensive error | <±0.2% |
| Temperature drift | <±0.02%/℃ |
| Connector specifications | aviationWS-12 |
| weight | |
| TMTX-1T | ≌1000g |
| TMTX-2T | ≌3000g |

Manual.pdf
Recommended News
-
Four main points of maintenance of the correction system
2019-12-26 -
Four main points of maintenance of the correction system
2019-12-26 -
Four main points of maintenance of the correction system
2019-12-26 -
Four main points of maintenance of the correction system
2019-12-26 -
Four main points of maintenance of the correction system
2019-12-26 -
Four main points of maintenance of the correction system
2019-12-26 -
Four main points of maintenance of the correction system
2019-12-26 -
Four main points of maintenance of the correction system
2019-12-26








